高出力 1653.7nm レーザー モジュールは、サブキャリア上のチップを備えた平面構造を利用しています。高い パワーチップはエポキシフリーおよびフラックスフリーの 14 ピンバタフライパッケージに密閉されており、 サーミスター、熱電クーラー、モニターダイオードを搭載し、高品質のレーザーパフォーマンスを確保します。メタンガス検出用の 1653nm 40mW BTF レーザー ダイオードは Telcordia GR-468 認定を受けており、RoHS 指令に準拠しています。
高出力 1653.7nm レーザー モジュールは、サブキャリア上のチップを備えた平面構造を利用しています。この高出力チップは、エポキシフリーおよびフラックスフリーの 14 ピン バタフライ パッケージに密閉封止されており、高品質のレーザー性能を確保するためにサーミスター、熱電冷却器、およびモニター ダイオードが取り付けられています。当社のレーザー製品は Telcordia GR-468 認定を受けており、RoHS 指令に準拠しています。
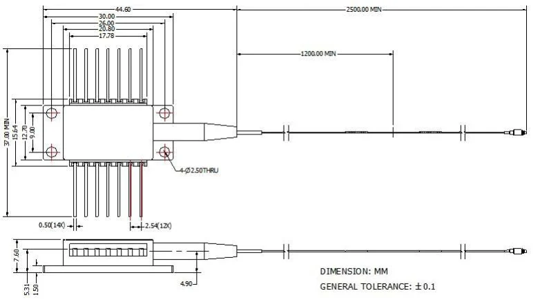
● 業界標準の 14 ピン バタフライ パッケージ。
●TECと光アイソレータを内蔵。
● 高性能、多重量子井戸 (MQW) 分布帰還型 (DFB) レーザー。
● ガス検知用受動部品の製造試験。
● ファイバーガス検知システム。
● レーザー光源。
| パラメータ | シンボル | 状態 | 分。 | 典型的。 | 最大。 | ユニット |
| 中心波長 | LC | Tl=15~35℃ qu | 1652.7 | 1653.7 | 1654.7 | nm |
| 光出力パワー | 後 | CW | - | 40 | - | mW |
| LD閾値電流 | ITH | CW | - | 15 | 40 | ミリアンペア |
| LD 順電流 | もし | Pf = 定格電力 | - | 300 | 400 | ミリアンペア |
| 光絶縁 | - | -10 < TC < +70℃ | 30 | - | - | dB |
| サイドモード抑圧比 | SMSR | CW | 35 | 40 | - | dB |
| 応答性を監視する | 予防接種 | - | - | 1 | 20 | だった/mw |
| モニター応答性の安定性 | - | - | - | - | 20% | - |
| 暗電流を監視する | ID | VPD=5V | - | - | 50 | NA |
| TEC電流 | アイテック | Tcase =75℃ | - | - | 2 | A |
| TEC電圧 | VTEC | Tcase =75℃ | - | - | 3.5 | V |
| TEC消費電力 | P | Tstg =25℃ | - | - | 5 | W |
| サーミスタ抵抗 | Rth | Tcase =75℃ | 9.5 | 10 | 10.5 | コーム |
| サーミスタB定数 | Bth | Tstg =25℃ | - | 3900 | - | K |
| 波長ドリフト (EOL) | △λ | 25 年間の寿命にわたってテスト済み | - | - | ±0.1 | nm |
| 波。温度係数 | DL/Dt | TEC温度15℃~35℃ | - | 0.09 | - | nm/℃ |
| 波長電流係数 | ディル/ディ | - | - | 0.01 | - | NM/インチ |

すべての製品は出荷前にテストされています。
すべての製品に1年間の保証が付いています。(品質保証期間後は、適切な保守サービス料金が発生します。)
あなたの取引に感謝し、7 日間の即時返品ポリシーを提供します。 (商品到着後7日間);
当店からご購入いただいた商品が完璧な品質ではない場合、つまりメーカーの仕様に従って電子的に動作しない場合は、当社に返品して交換または返金してください。
不良品の場合は商品到着後3日以内にご連絡下さい。
返金または交換の対象となるには、商品は元の状態で返品する必要があります。
購入者は発生したすべての送料を負担します。
Q: 波長の精度はどのくらいですか?
A: +/-0.5nm。
Q: 他のバージョンの出力電力はありますか?
A: 10mW、15mW、50mW。
Copyright @ 2020 Shenzhen Box Optronics Technology Co.、Ltd .-中国光ファイバーモジュール、ファイバー結合レーザーメーカー、レーザーコンポーネントサプライヤー全員が留保されています。